Hopp til innhold

Slik ser det ut når hjernen husker en ting

Nå har forskere funnet ut nøyaktig hvor i hjernen du lagrer informasjon om hvor gjenstander er. Det kan få betydning for forskning på Alzheimer.

Hvordan husker du hvor du har lagt ting?

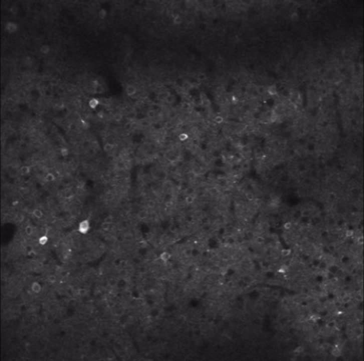
Videoen du ser i toppen av saken er fra en musehjerne. De lysende punktene er nerveceller i et område av hjernen som lyser opp når musa nærmer seg objekter den vet hvor er.

– Dette peker sterkt mot at nettopp disse nevronene spiller en nøkkelrolle i vår evne til å huske og forutsi plasseringen av objekter.

Det sier Koen Vervaeke. Han leder en ny studie som har funnet ut mer om hvordan hjernen vår husker hvor vi legger ting.

Koen Vervaeke er hjerneforsker ved UiO.

– Studiene viser hvordan hjernen lagrer plasseringa til ting, sier førsteamanuensis Koen Vervaeke ved Universitetet i Oslo

Foto: Privat

Området disse nervecellene ligger i heter retrosplenial cortex. Da forskerne undersøkte nervecellene der nærmere, oppdaget de to svært viktige ting.

– For det første var det noen av disse nevronene som faktisk forutsa hvor et objekt befant seg før musene var fysisk nær objektet. For det andre fortsatte disse nevronene å være aktive selv når objektet var fjernet.

Les også Voksne med ADHD har økt risiko for å utvikle demens

Illustrasjon demens

Kan måle mer nøyaktig på mus

I hjernen skjer det en fysisk endring når vi lagrer ting. Koblingene mellom hjerneceller styrkes, og det tegnes et mentalt kart.

– Tidligere studier har observert hjernemønstrene til blinde mennesker, men metodene man kan bruke på mennesker er begrensa. De viser ikke hvordan nettverk av individuelle hjerneceller samarbeider for å lagre objektplasseringer, sier Koen Vervaeke.

Derfor rettet forskerne oppmerksomheten mot mus.

Mus som brukes til hjerneforskning

Forskning på mus gir mer nøyaktige resultater enn på mennesker.

Foto: Geir Mogen

I studien har musene kunnet bevege seg og utforske objekter i mørket. Mens musene utforsket omgivelsene, brukte forskerne avanserte laserskanningsmikroskoper for å måle aktiviteten til tusenvis av individuelle hjerneceller i hjernen til musene.

Hjerne

Av og til er det vanskelig å huske hvor du har lagra ting, men nå vet forskerne i alle fall hvor i hjernen informasjonen om det er lagra.

Foto: malgorzata tatarynowicz

En bit i puslespillet

Retrosplenial cortex er en av de første hjerneregionene som blir påvirket av sykdommer som Alzheimers. Derfor er det kanskje ikke overraskende at å stadig glemme hvor du har lagt nøklene dine kan være et tidlig faresignal for slike sykdommer.

Les også Norsk demensforskning: Knuser myter om effektene av hjernetrim

Input til hjernen

Målet for studien er å få en bedre forståelse av hvordan friske hjerner lagrer informasjon om objekter. Det kan bidra til utviklingen av nye behandlingsmetoder for hukommelsessvikt, sier førsteforfatter på studien Andreas Lande.

– Alzheimergåten er et puslespill og dette er grunnforskning. Vi har kanskje bare funnet en blå puslespillbrikke i et stort puslespill med hav og himmel, men til slutt nærmer vi oss en løsning.

Andreas Sigstad Lande

Resultatene i studien er enda en liten bit i puslespillet som kan løse Alzheimer-gåten, mener Andreas Sigstad Lande.

Foto: UiO